
What Is A Spring Energised Seal?
What is a spring energised seal? A spring-energized seal is a high-precision sealing element consisting of a sealing ring made of a high-performance polymer, PTFE,

What is a spring energised seal? A spring-energized seal is a high-precision sealing element consisting of a sealing ring made of a high-performance polymer, PTFE,

Hydraulic technology is a control technology based on liquid pressure transmission. It is widely used in industry, agriculture, aviation, aerospace, energy, transportation, and other fields.

The spring-energized seal, with its unique dynamic compensation ability and adaptability to extreme working conditions, has become the “sealing defense line” of high-end industrial equipment.

In the daily operation of hydraulic systems, internal leakage in hydraulic cylinders is often difficult to detect in time. Once the system fails, this issue

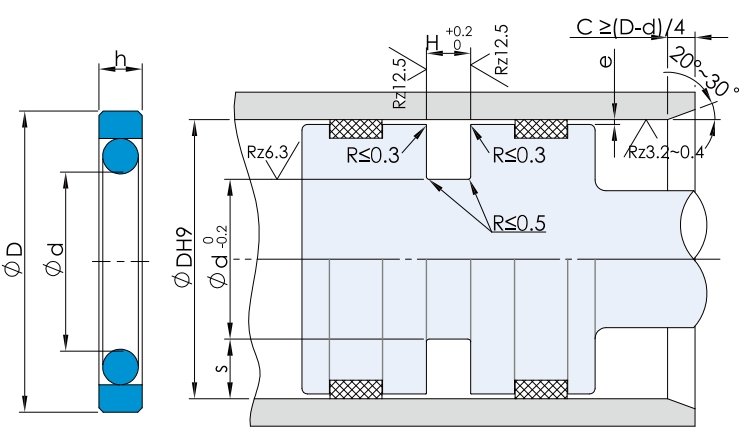
The seal tolerance refers to the difference between the processing size and the standard size. In order to ensure that the seal can be installed

Seals hold the hydraulic fluid or gas inside the hydraulic cylinder seals and piston system of hydraulic cylinders.

Seals play an important role in industrial systems. Different industries and equipment use different types of seals. Are hydraulic seals and oil seals the same

When discussing hydraulic systems, hydraulic seals often go unnoticed despite their critical role. They prevent leaks, maintain pressure, and ensure smooth equipment operation. However, have

The hydraulic cylinder seal is installed on the shaft of the hydraulic pump and hydraulic motor.

Hydraulic seals are used in various applications and industries where a hydraulic system is present.

As an important component in the hydraulic system, hydraulic seals seal and prevent leakage. However, during use, the seals may become too hard or difficult

Source of FKM In 1957, DuPont developed the first FKM material to meet the demanding sealing requirements of the aerospace industry. Later, in 1959, a